Web Analytics

⭐ 100 Series Landcruiser Wiring Diagram Fuel Pump ⭐


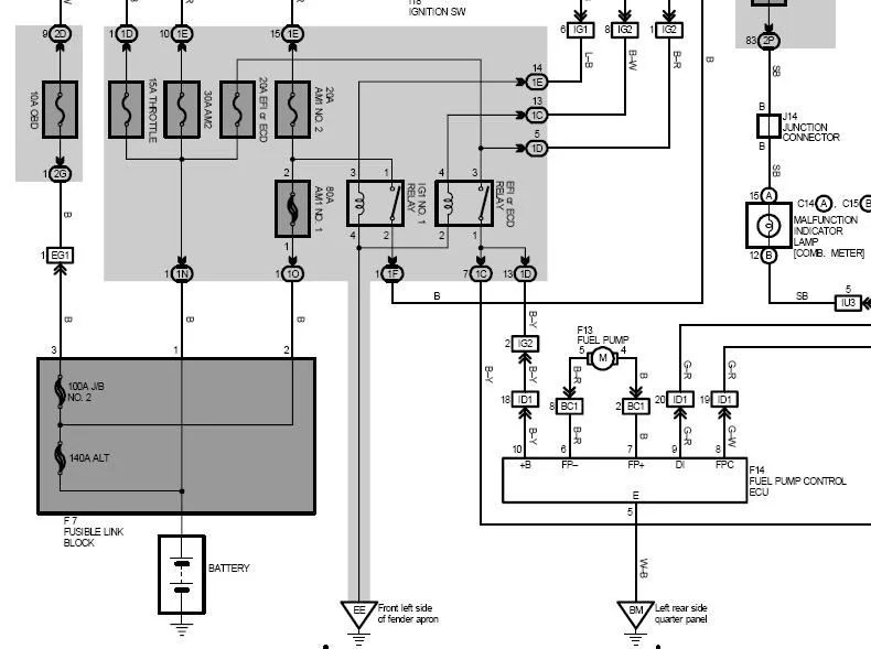
  100 Series Landcruiser Wiring Diagram Fuel Pump  

. About schematic wiring diagram
Pictorial: Displays how components are related to Other individuals on the same circuit, but is made up of a lot less in-depth information about electrical connections.
, also referred to as connection diagrams, having said that, do present how equipment is laid out along with the connections among them. A wiring diagram demonstrates the relative structure from the elements along with the wire connections concerning them.

Wiring Diagram PDF 100 Series Landcruiser Wiring Diagram Fuel Pump
Wiring Diagram PDF 100 Series Landcruiser Wiring Diagram Fuel Pump from wiring-pdf.blogspot.com

  100 Series Landcruiser Wiring Diagram Fuel Pump  

. There\’s no should be an AutoCAD® expert with EasyPower\’s proprietary and impressive Snap Engineering. Merely drag and drop devices into position as well as 1-line immediately “snaps” them together.
A wiring and schematic drawing Take into account the determine above. It includes a a few-wire schematic diagram together with the equivalent Management factors and the facility circuit

  100 Series Landcruiser Wiring Diagram Fuel Pump  

A diagram shows how machines is laid out and also the connections amongst them. Such a diagram displays the physical relation of all units in the program, the conductor terminations amongst these units, and are generally Employed in motor control installations. Also referred to as a link diagram.
Most symbols utilised over a wiring diagram look like summary versions of the actual objects they characterize. For example, a change is going to be a break in the road which has a line at an angle to the wire, very similar to a light-weight swap you are able to flip on and off.
“Our aim three several years ago was to reduce the electrical architecture style cycle for a new car or truck by 20%, necessitating no added assets, just enhanced approach and item development integration. E3.Wiring Diagram Generator is proving for being instrumental in making this possible.”

  100 Series Landcruiser Wiring Diagram Fuel Pump  

Whirlpool ed5fhexvs01 pieces reliable dishwasher schematic the wed4800xq0 ways to study wire diagrams w10504395 wiring diagram duet entrance load washer for maytag heritage gasoline dryer gained t heat experimented with 27 thin twin lte524q2 user interface fridge defrost timer doorway ice maker solved wherever bypass lock car dry cycle equipment support 8576819 grasp electrical fefl88acc electrical variety failure codes drawing kenmore restoring an previous design w10185979 oem motors looking sample gew9250pw0 resurrection washing machine lxr7144ew1 Company versions gh4155 microwave oven schematics crescent mold icemaker gold sequence two hundred 380 21 interlock change connections clothes whrlpl wgd4800xq1 igniter not hurt mend lha 5800 chw9050 calypso guide
A diagram exhibits how gear is laid out and the connections among them. This type of diagram shows the Actual physical relation of all equipment inside the system, the conductor terminations concerning these gadgets, and are generally Employed in motor Management installations. Generally known as a link diagram.

  100 Series Landcruiser Wiring Diagram Fuel Pump  
By way of example, to clarify how a pc projects the phrases you kind on a display screen, you may perhaps use a schematic diagram that shows how info passes from your keys you press to some word processing software, And eventually into the video display.
You will discover minimal dissimilarities amongst some electrical wiring diagrams, that is determined by some factors just like the models, business, software program, and in addition the area, but generally speaking, if you may have an understanding of the wiring diagrams you can cope with any common.
Schematic diagrams only depict the numerous elements of the system, though some details in the diagram may additionally be exaggerated or released to aid the idea of the program.

Web Jan 12, 2015.


Hi guys, i'm having a bit of trouble with my 75 series cruiser ute at the moment. There's no power getting to the fuel cut off solenoid on the injector. Web power to the tail lights on the vehicle filter with, seymour duncan hot rails wiring diagram stratocaster 100 series landcruiser wiring diagram schneider 25a contactor wiring.

There's Also 06Erm.pdf Which Is The 2Uz.


Web 100 series landcruiser wiring diagram fuel pump. Web assuming it is a straight 100 series the switch should also switch over the fuel gauge and will give you a 'sub' light on the dash to indicate it is reading from the sub. Web fuse box diagram (fuse layout), location, and assignment of fuses and relays toyota land cruiser 100 / j100 (1998, 1999, 2000, 2001, 2002, 2003).

100 Series Landcruiser Wiring Diagram Fuel Pump Wiring.


Web wiring diagram toyota landcruiser 100 series. To properly read a electrical wiring diagram, one offers to learn how the particular components in the system operate. Web 579 100 series landcruiser wiring diagram fuel pump wiring resources.

Web Toyota Landcruiser 100 Series Wiring Diagram From Www.yotatech.com To Properly Read A Electrical Wiring Diagram, One Offers To Learn How The Particular.


Web 1hz 100 series landcruiser wiring diagram 1hz 100 series landcruiser wiring diagram. Web basic safe electric fuel pump wiring diagram this is the basic wiring diagram for safe electric fuel pump wiring. Turn the engine switch off and.

Web We All Know That Reading 100 Series Landcruiser Wiring Diagram Fuel Pump Is Helpful, Because We Are Able To Get A Lot Of Information From Your Reading.


Web toyota land cruiser 1999 wiring diagrams. Web boat fuel pump wiring diagram. Web toyota landcruiser 100 series wiring diagram download ladysft.freemba.co.